²úÆ·¼ò½é£º¸¡±êË®Öʼà²âÉ豸SFA¼¯Êý¾Ý²É¼¯¡¢´æ´¢¡¢´«ÊäºÍÖÎÀíÓÚÒ»ÌåµÄÎÞÈËÖµÊØµÄ²É¼¯ÏµÍ³
Ò»¡¢²úÆ·¼ò½é
1.Ë®Öʸ¡Æ¯¼à²âÕ¾SFA¼¯Êý¾Ý²É¼¯¡¢´æ´¢¡¢´«ÊäºÍÖÎÀíÓÚÒ»ÌåµÄÎÞÈËÖµÊØµÄ²É¼¯ÏµÍ³¡£ËüÔÚ¹¤Å©Òµ³ö²ú¡¢ÓÎÀÀ¡¢³ÇÊл·¾³¼à²â¡¢µØÖÊÔÖº¦¡¢·Àºé¡¢¹©Ë®µ÷¶È¡¢µçվˮ¿âË®ÇéÖÎÀíµÈΪÖ÷ÕÅË®ÎÄ×Ô¶¯²â±¨ÏµÍ³£»Ö°ÄÜ׳´óµÄÉÏλ»úÈí¼þ¿ÉÔ¶³Ì¹Û²âʵʱˮÓêÇéÐÅÏ¢£¬¾ßº±¼û¾Ý¿â¡¢±¨±í¡¢ÏÂÔØµÈÖ°ÄÜ£¬Óû§»¹¿ÉÀûÓøÃÖ°ÄÜÃÀÂúµÄÐÎÏóÈí¼þ¶Ô¼Í¼µÄÊý¾Ý×÷½øÒ»²½µÄ´¦Ö÷ÖÎö¡£
2.SFA03¿î¸¡±êÊÇÓÉË®ÖÊ´«¸ÐÆ÷£¨Ë®Î¡¢µçµ¼ÂÊ¡¢PH£©¡¢Êý¾Ý²É¼¯ÒÇ¡¢Í¨Ñ¶ÏµÍ³¡¢¹©µçϵͳ¡¢ÕûÌå Ö§¼Ü¡¢Ë®Öʼà²âƽ̨Áù²¿ÃÅ×é³É¡£Í¬Ê±¿ÉÀ©´óÈÜ»¯Ñõ¡¢°±µª¡¢ ×Ƕȡ¢COD£¬¶àÏîË®ÖÊÉí·Ö¡£Êý¾Ý²É¼¯ÒǾߺ±¼û ¾Ý²É¼¯¡¢Êµ²»¶ÏÖÓ¡¢Êý¾Ý°´Ê±´æ´¢¡¢²ÎÊýÉ趨ºÍ³ß¶È2G/4G£¨GPRS£©Í¨Ñ¶Ö°ÄÜ¡£
¶þ¡¢²úÆ·ÌØµã
1.Òײ¿Ê𣺸÷ÀàÐÍ̽ͷ½øÐи߶ȼ¯³É£¬×°Ö÷½±ã£»ÌṩÃâ·ÑÔÆÆ½Ì¨·þÎñ£¬ÏµÍ³¼±¾çÉÏÏߣ»
2.Ò×ÊØ»¤£ºÉ豸װÖúó£¬×ÔÐй¤×÷¼´¿É£¬ÎÞÐèÈËÎªÖµÊØ£¬Ò²Äܹ»Í¨¹ýÔ¶³Ì¼à¿ØµÄ·½Ê½±£ÏÕÉ豸µÄÕý³£ÔËÐУ»
3.Ò×À©´ó£º´«¸ÐÆ÷̽ͷ¾ùʹÓÃͳһµÄͨѶºÍ̸£¬Äܹ»¼±¾ç¶Ô½ÓÔÉ豸£¬¼±¾çÀ©´ó¼à²â²ÎÊý£»
4.µÍ¹¦ºÄ£ºÉ豸Äܹ»ÊµÏֵ͹¦ºÄ״̬Ï£¬³¤¹¦·òÔËÐУ¬Ôö³¤É豸ʹÓõķ½±ãÐÔ£»
5.ʵʱÐÔ£ºÉ豸¼à²âµ½µÄÊý¾Ýʵʱ´«ÊäÖÁÔÆÆ½Ì¨£¬ÌáÉý»·¾³Êý¾Ý·´À¡µÄʵʱÐÔ¡£
Èý¡¢¼¼Êõ²ÎÊý
1. Ö÷Ìå²ÎÊý
| ²úÆ·Ãû³Æ | ÃèÊö |
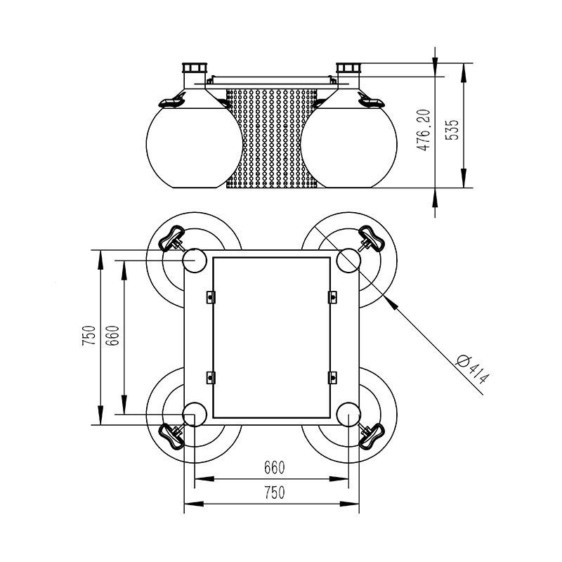
| »·¾³Ë®Öʼà²â¸¡±ê | ¿ÉʵʱʵÏÖ¶à·²ÎÊýÔÚÏß¼à²â¡£¿ÉʵÏÖµç³ØµçÁ¿¼à¿Ø¡£¿ÉʵÏÖÔÆÆ½Ì¨Êý¾Ý¼à¿Ø¡¢Êý¾ÝÍÆËÍ¡¢Êý¾ÝµÄ´æ´¢ºÍ±¨¾¯Ö°ÄÜ£»Êý¾ÝµÄÎÞÏß·¢ÉäÖ°ÄÜ¡£·åÖµ¹¦ºÄΪ 5W£»´«¸ÐÆ÷¹¦ºÄ 0.25W×óÓÒ/Ö»¡£±íÐγߴ磺750mm*750mm*535mm¡£¸¡ÇòÖ±¾¶414mm³ÁÁ¿£º22kg |
| ²É¼¯Æ÷Êý¾Ý²É¼¯ | ÔËÐп¿µÃס£¬¿¹×ÌÈÅ£¬¿É¼¯³É¶à·RS485/MODBUS-RTU´ÓÕ¾É豸 |
| ²É¼¯Æ÷Êý¾ÝÊä³ö | 1 · Rs485/JSONºÍ̸Êä³ö |
| µç³Ø | ï®µç³Ø 12VDC£¬20AH£¨Ä¬ÈÏ£© |
| Ì«ÑôÄÜµç³Ø°å | 22.1V/50W£¨Ä¬ÈÏ£© |
| ¹©µçÄÜÁ¦ | ¶¨ÔìÑ¡ÐÍ£»ÒõÓêÌì¼äЪ¹¤×÷ 5ÌìÒÔÉÏ |
| µØÎ»Åúʾ£¨Ñ¡Å䣩 | ¾¯Ê¾µÆ£»GPS ¶¨Î»£» |
| ¼à²âƽ̨ | ÔÆÆ½Ì¨£»ÊÖ»ú/µçÄÔ¶àÖն˵Ǽ |
| ·À»¤ÕÖ | 304 ²»Ðâ¸ÖÂËͲ·À»¤ÕÖ |
| ¸¡Ìå | Ö±¾¶414mm ÇòÐθ¡Ìå*4¹¤³ÌËÜÁÏ |
2.¿ÉÑ¡Åä´«¸ÐÆ÷µÄÖØÒª²ÎÊý
| ÐòºÅ | Ãû³Æ | ÕÉÁ¿ÁìÓò | ÕÉÁ¿µÀÀí | ÕÉÁ¿¾«¶È | ÊÇ·ñ±êÅä | ±¸×¢ |
| 1 | ÎÂ¶È | 0~50¡æ | ¸ß¾«¶ÈÊý×Ö´«¸ÐÆ÷ | ¡À0.3¡æ | ? | |
| 2 | pH | 0~14£¨ph£© | µç»¯Ñ§£¨ÑÎÇÅ£© | ¡À 0.1PH | ? | |
| 3 | ORP | -1500mv~1500mv | µç»¯Ñ§£¨ÑÎÇÅ£© | ¡À 6mv | ||
| 4 | µçµ¼ÂÊ | 0~5000uS/cm | ½Ó´¥Ê½µç¼«·¨ | ¡À 1.5% | ? | |
| 5 | ×Ç¶È | 0~40NTU£¨µÍ×Ç£© | É¢Éä¹â·¨ | ¡À 1% | µÍ×ǿɶ¨Ôì | |
| 0~1000NTU£¨ÖÐ×Ç£© | É¢Éä¹â·¨ | ¡À 1% | ÖÐ×ǿɶ¨Ôì | |||
| 0~3000NTU£¨¸ß×Ç£© | É¢Éä¹â·¨ | ¡À 1% | ĬÈÏ·¢ | |||
| 6 | ÈÜ»¯Ñõ | 0~20mg/L | Ó«¹âÊÙÃü·¨ | ¡À 2% | ||
| 7 | °±µª | 0-1000.00mg/L£¨Ä¬ÈÏ£© 0-100.00mg/l/£¨¿É¶¨Ô죩 | Àë×ÓÑ¡Ôñµç¼«·¨ | ¶ÁÊýµÄ10%, ¡À0.5¡æ | ||
| 8 | cod | 0~500mg/ L | UV254 ÎüÊÕ·¨ | ¡À5% | ´øÓÐ×Ô¶¯Çå½àÆ÷£¬¿ÉÔ¤·ÀÉúÎ︽×Å£¬Ô¤·À¹â´°´«È¾£¬ÒÔ±£Õϳ־üà²âÒÀȻӵÓв»±äÐÔ£»¿ÉÉèÖÃ×Ô¶¯Çå½à¹¦·ò¼°Çå½à´ÎÊý£¬¹¦ºÄ0.7W | |
| ×Ç¶È | 0~400NTU | É¢Éä¹â·¨ | ¡À 1% | |||
| 9 | Ðü¸¡Îï | 0~2000mg/L | É¢Éä¹â·¨ | ¡À5%£¨È¡¾öÓÚÎÛÄàͬÖÊÐÔ£© | ||
| 10 | Ò¶ÂÌËØ | 0~400ug/L | Ó«¹â·¨ | R2>0.999 | ´øÓÐ×Ô¶¯Çå½àÆ÷£¬¿ÉÔ¤·ÀÉúÎ︽×Å£¬Ô¤·À¹â´°´«È¾£¬ÒÔ±£Õϳ־üà²âÒÀȻӵÓв»±äÐÔ£»¿ÉÉèÖÃ×Ô¶¯Çå½à¹¦·ò¼°Çå½à´ÎÊý£¬¹¦ºÄ0.7W |
ËÄ¡¢²úÆ·³ß´çͼ

Îå¡¢É豸װÖÃÒªÇó
1.Ô¶Àë´ó¹¦ÂÊÎÞÏߵ緢ÉäÔ´
2.Ô¶Àë¸ßѹÊäµçÏߺÍ΢²¨ÎÞÏߵ紫ËÍͨ·
3.¾¡Á¿¿¿½üÊý¾Ý´«ÊäÍøÂç
4.Ô¶ÀëÇ¿µç´Å×ÌÈÅ
Áù¡¢ÔÆÆ½Ì¨½éÉÜ
1.CS¼Ü¹¹Èí¼þƽ̨£¬Ö§³ÖÊÖ»ú¡¢PCä¯ÀÀÆ÷Ö±½Ó¹Û²â.ÎÞÐè¶î±í×°ÖÃÈí¼þ¡£
2.Ö§³Ö¶àÕʺš¢¶àÉ豸µÇ¼
3.Ö§³ÖʵʱÊý¾ÝչʾÓ뺹ÇàÊý¾ÝչʾÒDZí°å
4.ÔÆ·þÎñÆ÷.ÔÆÊý¾Ý´æ´¢£¬²»±ä¿¿µÃס£¬Ò×ÓÚÀ©´ó£¬¸ºÔØÆ½ºâ¡£
5.Ö§³Ö¶ÌÐű¨¾¯¼°ãÐÖµÉèÖÃ
6.Ö§³ÖµØÍ¼ÏÔʾ¡¢²é¿´É豸ÐÅÏ¢¡£
7.Ö§³ÖÊý¾ÝÇúÏß·ÖÎö
8.Ö§³ÖÊý¾Ýµ¼³ö±í¸ñ´ó¾Ö
9.Ö§³ÖÊý¾Ýת·¢£¬HJ-212ºÍ̸£¬TCPת·¢£¬httpºÍ̸µÈ¡£
10.Ö§³ÖÊý¾Ýºó´¦ÖÃÖ°ÄÜ
11.Ö§³Ö±íÖÃÔËÐÐjavascript¾ç±¾